网站导航

脚踏开关

当前位置:首页 > 产品展示 > 脚踏开关 >

产品型号 / Model No .

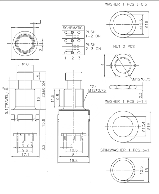
SF3

吉他效果器脚踏开关 功率: 9V DC 1A 接触阻抗:30m max 绝缘阻抗 : 500V DC-100m min 耐电压 : 500V AC-1 minute 扭矩 : 2.51Kgf 寿命 : 10,000 cycles min...

详细介绍
吉他效果器脚踏开关

功率: 9V DC 1A
接触阻抗:30mΩ  max 
绝缘阻抗 : 500V DC-100mΩ min
耐电压 : 500V AC-1 minute 
扭矩 : 2.5±1Kgf
寿命 : 10,000 cycles min


 


产品咨询

留言框

  • 产品:

  • 留言内容:

  • 您的单位:

  • 您的姓名:

  • 联系电话:

  • 常用邮箱:

  • 详细地址:

上一篇:没有了

下一篇:没有了

推荐产品

网站更新中 Web is updating

联系我们

Copyright © 2002-2020 泓利鑫電子有限公司 版权所有

地址:惠州博羅龍溪龍橋大道義和工業園。